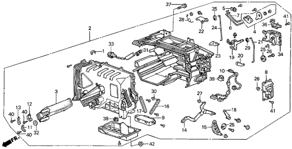
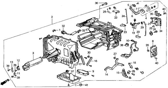
Heater Unit for 1990 Acura Legend
No.
Part # / Description / Price
Price
No.
Part # / Description / Price
Price

Acura