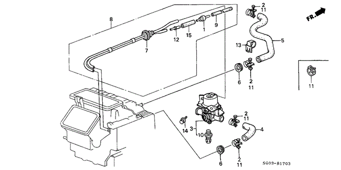
Valve Assembly, Water - Acura (79700-SD4-A02)
Also Purchased
Vehicle Fitment
Select Your Vehicle Select
| Year | Make | Model | Body & Trim | Engine & Transmission |
|---|
Acura Olympic Auto Group Parts
Acura Olympic Auto Group Parts is your go-to online retailer for original Acura parts and accessories. You can use the VIN lookup feature to find parts that will match your vehicle. Have questions about a part? Contact us today!
Acura
Shop and Save on Genuine Acura Parts
